当前位置: 首页 产品中心>AC/DC电源管理芯片>非隔离电源
简述
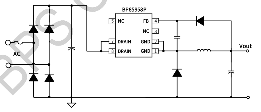
BP85958P 是一款高性能、高集成度、低待机功耗的开关电源驱动芯片,适用于全电压 85~265VAC输入的 Buck、Buck-Boost 等变换器拓扑应用。 BP85958P 内部集成了650V高压MOSFET、高压启动和自供电电路、电流采样电路以及电压反馈电路,采用先进的控制技术,无需环路补偿即可实现优异的恒压输出特性,极大地减少了外围器件数量,节省了系统成本和体积,同时提高了可靠性。
优势

    内部集成 650V 高压 MOSFET

    集成高压启动和自供电电路

    集成输出电压采样

    低待机功耗

    固定12V 输出

应用领域
  • 小家电辅助电源
  • 电机驱动辅助电源
  • IOT/智能家居/智能照明
典型应用原理图
封装
技术文档
文档类型 标题 类型 文件下载
规格书 BP85958P pdf 完整版