输入 90-277Vac
高 PF 低 THD(PF>0.9,THD<15%)
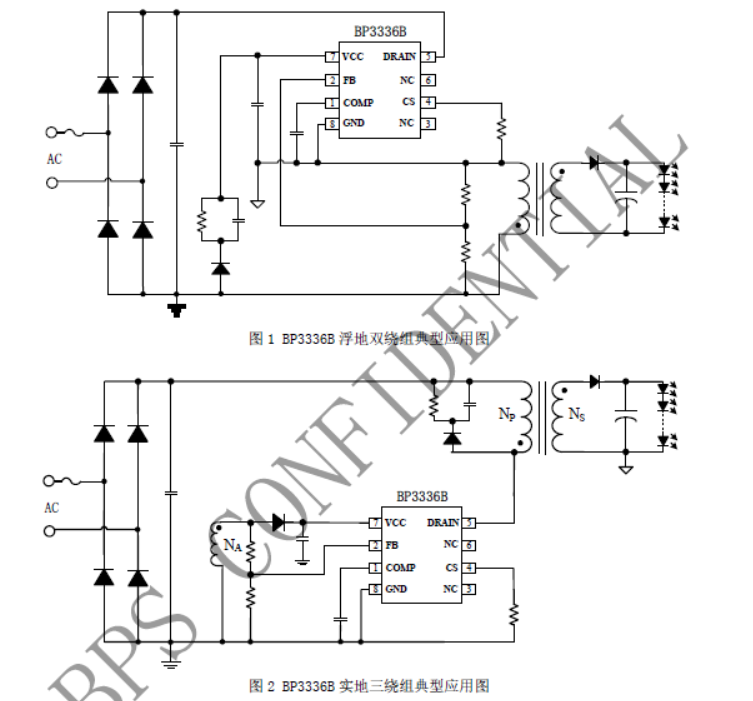
支持双绕组 Flyback 拓扑,无需辅助绕组
内置高压启动,启动时间<500ms
高精度电流参考(+/-3%)优
异的线性、负载调整率
临界导通模式低工作电流
vCc 欠压锁定
逐周期限流
输出开路/短路保护
过温降电流
支持 SOP-8 封装