尊龙网址登录官网

当前位置: 首页 产品中心>LED照明驱动芯片>非调光>辅助电源
简述
BP6526B 是一款高效智能转换器,固定输出电压5V。 当输入电压范围在 12~13V 时,最大输出电流 110mA。 当输入电压范围在 13~30V 时,最大输出电流 150mA。 BP6526B 相比传统线性 LDO 效率显著提升。 外围无需储能电感,有利于优化系统体积和成本。 BP6526B 集成多种保护功能。
优势

    输入电压 12-30V

    固定输出 5V

    最大输出电流 150mA

    无需储能电感

    改善 EMI 性能的抖频技术

    保护功能

应用领域
  • DC/DC 辅助电源
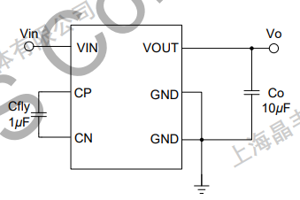
典型应用原理图
封装
技术文档
文档类型 标题 类型 文件下载
规格书 BP6526B pdf 完整版