尊龙网址登录官网

当前位置: 首页 产品中心>LED照明驱动芯片>非调光>辅助电源
简述
BP2571DC 是一款直接采样输出电压的高精度低待机功耗的非隔离降压型恒压芯片,输出电压的动态响应快,批量一致性好。适用于 85Vac-265Vac 全电压输入的非隔离电源。BP2571DC芯片内部集成功率MOSFET,采用电压电流控制技术,不需要VCC电容和外部环路补偿电容,即可实现优异的恒压特性,极大的节约了系统成本和体积。BP2571DC 采用多模式控制技术,并减小系统工作在轻载时的噪声,并能够从输出电压给芯片供电,有效降低系统待机功耗提高效率。
优势

    优异的动态响应

    直接采样输出电压

    输出电压批量一致性达到士5%以内

    外围精简,电源体积小

    无需 VCC 电容和供电二极管

    集成续流二极管

    3.3V 或 5V 输出电压

    内部集成功率管

    集成高压启动和供电电路

应用领域
  • 辅助电源
  • 其他应用
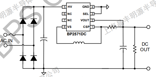
典型应用原理图
封装
技术文档
文档类型 标题 类型 文件下载
规格书 BP2571DC pdf 完整版