尊龙网址登录官网

current location: Home Product Center>AC/DC Power Management IC>Non-Isolated Power Supply
Sketch
The BP85226DF is a high performance, highly integratedpower supply switcher lC with low standby consumption.The BP85226DF can be configured as buck, buck-boosttopologies for universal 85~265V AC inputs.The BP85226DF integrates a 650V power MOSFET, a high-voltage current source for self-biasing, a current sensingcircuit, an output feedback circuit, a freewheeling diodeand an advanced controller.
Advantage

    Integrated VCC capacitor, freewheeling diode andfeedback diode

    Integrated 650V power MOSFET

    Integrated high-voltage current source for selfbiasing

    50mW no load consumption at 230VAC

    Fixed 5V output

    Excellent transient response, low output rippleOptimized line and load regulation

Application area
  • Home appliances
  • Motor driver standby power
  • loT, smart home, smart LED drivers
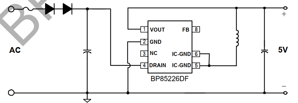
Schematic diagram
Package
Technical documents
Document type Title Type Download
Specification sheet BP85226DF pdf Full version